2发2收LCC48贴片型并行收发模块
发布时间:2025-03-17 13:35:53
发布者:xj星际1277科技
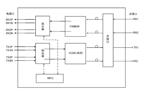
浏览次数:319xj星际1277科技 10G 850nm 2 发 2 收 LCC32 贴片型并行收发模块,专注于微波与光子技术融合应用。
该模块具备 2 路发送、2 路接收并行光纤通道,单通道支持 10.3125Gbps 速率传输,在 OM3 多模光纤上传输距离达 100m。光纤类型丰富,扁纤、圆纤、散纤等可选,带弹簧、导针配置灵活,尾纤可定制且有对应长度代码。采用单 3.3V 电源供电,数据差分信号输入 / 输出为 CML 电平,支持 I2C 串行数据接口通信监控,结构紧凑,实现高密度高容量设计,采用手工焊接方式。
产品等级分为军品工业级(J),工作温度 - 40℃~+85℃;军品扩展工业级(M),工作温度 - 55℃~+85℃,另有定制温度级(D)。适用于甚短距离高速数据通信、服务器与存储器阵列互连、机载雷达等场景,符合 I 类激光安全标准 IEC-60825 和 ROHS 2.0 标准。
其光电特性优异,发射端中心波长 840-860nm,平均光功率 - 5~+3dBm;接收端中心波长 840-860nm,灵敏度≤-10dBm,饱和光功率≥+3dBm。电接口引脚定义清晰,包含电源、地、差分信号、控制及监控接口等,使用中需注意静电防护、焊接规范及光接口清洁,确保性能稳定。

xj星际1277科技贴片型LCC光模块
产品特性:
2路发送、2路接收并行光纤通道
支持单通道10.3125Gbps速率传输
OM3多模光纤传输距离100m
扁纤/圆纤/带弹簧/带导针可选
单3.3V电源供电
数据差分信号输入/输出CML电平
I2C串行数据接口通信监控
紧凑的结构设计,高密度高容量
手工焊接
定制温度级(D)
产品等级:
军品工业级(J):-40℃~+85℃
军品扩展工业级(M):-55℃~+85℃
产品应用:
支持甚短距离的高速数据通信连
服务器与存储器阵列的互连
机载雷达
其他光学链接
执行标准:
符合 I 类激光安全标准 IEC-60825
ROHS 2.0

LCC光模块原理框图
产品订购信息表:
| 型号 | 速率 | 波长 | 传输距离 | 光纤类型 | 接口 | 工作温度 |
DTBBP44-922*注2NJ2*注3 | 10.3125Gbps | 850nm | 100m | 多模 | MT | -40℃~+85℃ |
| DTBBP44-922*注2NM2*注3 | 10.3125Gbps | 850nm | 100m | 多模 | MT | -55℃~+85℃ |
| DTBBQ44-922*注2NJ2*注3 | 10.3125Gbps | 850nm | 100m | 多模 | MT | -40℃~+85℃ |
| DTBBQ44-922*注2NM2*注3 | 10.3125Gbps | 850nm | 100m | 多模 | MT | -55℃~+85℃ |
注1:外壳温度。
注2:“*”=H表示扁纤;“*”=J表示圆纤;“*”=N表示散纤(默认带透明螺纹管);“*”=P表示带弹簧扁纤;“*”=Q表示带弹簧圆纤。
注3:“*”表示尾纤长度,详见尾纤长度代码表。
模块尺寸(单位为毫米,未标注公差为±0.2mm)

印制板推荐尺寸

模块底面散热焊盘说明
模块底面10.0×10.0mm焊盘,为导热焊盘,该焊盘与模块GND相连,为模块主要散热渠道。该焊盘与用户主板需要良好接触,便于模块工作时所产生热量及时导出,使模块处于良好的工作状态。
主板散热焊盘推荐设计
用户主板焊盘设计推荐尺寸为10.2×10.2mm,焊盘与主板共地,可在主板上做相应的散热设计,具体实现方法如下:
1、加导热孔,在主板的焊盘上排列一定尺寸和数量的导热孔,导热孔的尺寸和数量根据主板的布板,由用户自定义。推荐导热孔设计:φ0.25mm过孔,10×10个。
2、裸铜处理,在主板的散热焊盘底面,最好铺覆大面积的铜,且铜表面无绿油覆盖,覆铜面积根据用户的实际布板状况,尽量大。
模块散热焊盘与用户主板的连接方式
1、焊接方式:主板焊盘上涂锡膏,在焊盘背面相对区域,利用热风枪等焊接工具从主板背面加热使锡膏融化。锡膏的涂覆如上页右图示意,注意锡膏要适量。注意:不能用热风枪从模块顶面加热,以免损伤模块的光纤带。
2、涂导热硅脂方式:若无法实现在模块焊盘和主板焊盘之间焊接,则可以在两者之间加适量的导热硅脂,保证模块和主板的良好接触。导热硅脂可选取导热性能良好,且环境适应性强的产品。(注意:导热硅脂应选择适用于产品。)
尾纤长度代码表:
| 尾纤长度(mm) | 代码 | 尾纤长度(mm) | 代码 |
| 30 | 0 | 150 | R |
| 50 | A | 160 | S |
| 55 | B | 170 | T |
| 60 | C | 180 | U |
| 65 | D | 190 | V |
| 70 | E | 200 | 2 |
| 75 | F | 300 | 3 |
| 80 | G | 400 | 4 |
| 85 | H | 500 | 5 |
| 90 | J | 600 | 6 |
| 95 | K | 700 | 7 |
| 100 | 1 | 800 | 8 |
| 110 | M | 900 | 9 |
| 120 | N | 1000 | L |
| 130 | P | 1500 | Z |
| 140 | Q | 定制 | Y |
注:
尾纤长度≥50mm 时扁纤、圆纤、散纤可选,带弹簧、带导针可选。
尾纤长度<50mm 时可做扁纤,不带弹簧。
尾纤长度常规公差为±L*5%。
特殊需求另行沟通。





